





ARTICLES致力于成為更好的解決方案供應商!
2025-10-11
+2025-08-19
+2025-08-19
+
詳細介紹
| 品牌 | 梁瑾 |
|---|
旋渦高壓風機-旋渦風機-高壓風機-高壓旋渦風機
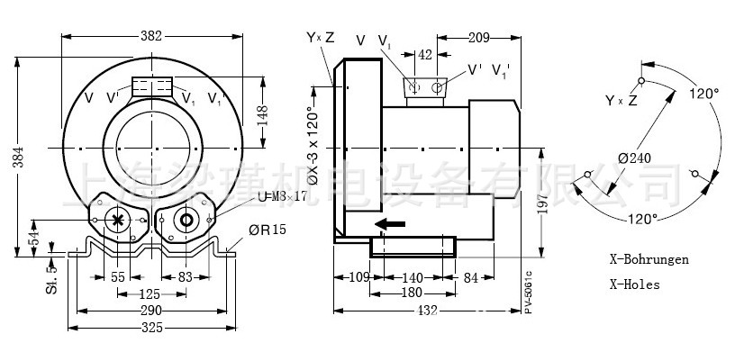
旋渦高壓風機-旋渦風機-高壓風機-高壓旋渦風機——上海梁瑾機電設備有限公司出品,旋渦式氣泵(高壓鼓風機)自進入市場以來,受到了廣大客戶的支持和厚愛,風機具有高壓、大風量、低噪音、輕量化。風機采用鋁合金材質,大幅降低重量,達到輕量化的目的。

旋渦氣泵特點:高壓、大風量、低噪音、輕量化;
采用鋁合金材質、大幅降低重量,達到輕量化的目的;馬達為IEC設計,全閉外扇型鋁框馬達,特殊軸心設計,可適合長時間使用。
紙品包裝機械漩渦高壓風機產品配置:
1.機殼材質:高壓風機采用*度壓鑄鋁,壓鑄鋁與奔馳汽車輪轂相同鋁材,相對于普通鋁合金來說,壓鑄鋁更堅固,相對于鐵殼風機,更有輕量化的作用。
2.電機性能:高壓風機是一款寬頻,寬壓電機,列入:單相110V/230V 工業三相:220/380/415/660V等,電機頻率可45-75HZ調頻,IP55防護等級 F級絕緣等級,其優勢是國內電機達不到的工藝,深受國內外客戶青睞、
3.風機油封:高壓風機采用德國MERKEL油封,德國MERKEL(默克爾)材料采用氟橡膠可承受-25℃至300℃。相對于一般油封工作時其唇緣的溫度高于工作介質溫度20~50℃,性能更穩定,免維護,壽命更久。
4.風機軸承:風機核心部件采用德國SKF,日本NSK品牌軸承,軸承98%高可承受350攝氏度,4000轉每分鐘的轉速。對于國產洛軸,日本軸承,性能穩定,低噪音,免維護,壽命更久,可保證風機運行更久。

高壓、大風量、低噪音、輕量化方便使用!
1.產品小型重量輕,高風壓。
2.前側式葉片設計,體積小,質量輕且較有高壓力之產生。
3.低噪音,能消除切風時產生之高頻及特殊之消音材質,大幅降低噪音比
4.低震動,葉片均經過電腦校正興高精密的機械加工,使震動降到98%低。
包裝機械高壓鼓風機機械精密度高,回轉部分之零件均經過極精密之平衡設計,測試、校正,所以震動率很低,采用散熱良好好之多翼式鋁合金散熱殼,能夠快速散熱以加強馬達運轉效率。

2QB 系列高壓漩渦式氣泵(高壓鼓風機)性能參數
形式 | 功率(KW) | 98%大流量(m3/h) | 98%高壓力(kpa) | 98%高真空(kpa) |
2QB 210-SAH16 | 0.4KW | 80m3/h | 13kpa | -12kpa |
2QB 310-SAH16 | 0.75KW | 100m3/h | 15kpa | -15kpa |
2QB 510-SAH26 | 1.5KW | 210m3/h | 19kpa | -20kpa |
2QB 610-SAH16 | 2.2KW | 270m3/h | 26kpa | -24kpa |
2QB 710-SAH26 | 3.0KW | 330m3/h | 29kpa | -27kpa |
2QB 710-SAH37 | 4.0KW | 330m3/h | 36kpa | -30kpa |
2QB 730-SAH37 | 4.0KW | 430m3/h | 28kpa | -27kpa |
2QB 720-SHH47 | 5.5KW | 330m3/h | 52kpa | -46kpa |
2QB 720-SHH57 | 7.5KW | 330m3/h | 58kpa | -46kpa |
2QB 810-SAH17 | 5.5KW | 540m3/h | 31kpa | -31kpa |
2QB 810-SAH27 | 7.5KW | 540m3/h | 43kpa | -33kpa |
2QB 830-SAH17 | 5.5KW | 700m3/h | 19kpa | -20kpa |
2QB 830-SAH27 | 7.5KW | 700m3/h | 27kpa | -28kpa |
2QB 820-SHH37 | 11KW | 540m3/h | 60kpa | -43kpa |
2QB 820-SHH47 | 15KW | 540m3/h | 67kpa | -46kpa |
2QB 840-SGH37 | 11KW | 900m3/h | 38kpa | -29kpa |
2QB 910-SAH17 | 12.5KW | 1050m3/h | 28kpa | -29kpa |
2QB 910-SAH37 | 18.5KW | 1050m3/h | 46kpa | -36kpa |
2QB 930-SAH17 | 12.5KW | 1370m3/h | 19kpa | -21kpa |
2QB 930-SAH37 | 18.5KW | 1370m3/h | 32kpa | -31kpa |
2QB 920-SHH17 | 12.5KW | 1110m3/h | 28kpa | -30kpa |
2QB 920-SHH27 | 16.5KW | 1110m3/h | 38kpa | -41kpa |
2QB 920-SHH37 | 20KW | 1110m3/h | 51kpa | -44kpa |
2QB 920-SHH47 | 25KW | 1110m3/h | 60kpa | -44kpa |
2QB 940-SBH27 | 15KW | 1980m3/h | 11kpa | -13kpa |
2QB 940-SBH37 | 20KW | 1980m3/h | 20kpa | -22kpa |
2QB 940-SBH47 | 25KW | 1980m3/h | 28kpa | -31kpa |
2QB 943-SGH47 | 25KW | 2100m3/h | 28kpa | -31kpa |










低噪音漩渦式氣泵(高壓鼓風機)在工業中的應用介紹:
1、紡織設備:旋渦氣泵、高速織襪機;涂布厚度控制并保證厚度均勻、去除水份、干燥,抽紗機。
2、塑料輔機及供料系統:在流延機使用中,為保證能高速生產,確保流延膜均勻,冷卻
輥上風刀使薄膜與冷卻輥表面形成一層薄薄的空氣層,旋渦氣泵使薄膜均勻冷卻;同時用于注塑機的真空上料,干燥、除濕以及供料系統。
3、電腦顯示器、液晶顯示器、印刷電路板等產品可使用旋渦氣泵清洗、切水、烘干等印制電路板設備中的使用。
4、在電線電纜設備中使用能去除水份、油份、干燥、靜電抑制,比如空調精密銅管的除水等。
5、在涂裝設備中能有效控制鍍層厚度并保證厚度均勻;可以烘干、去除水份、大面積高溫干燥,涂層厚度控制;電鍍后切水干燥、去油等金屬表面處理。
6、高壓旋渦風機使用于易拉罐的氣力輸送;飲料瓶、罐及各種包裝食品打碼或貼標前切水、干燥等食品、飲料灌裝設備中的運用。
7、印刷設備:絲網印刷機械;UV上光機、印刷后油墨1-5秒內的瞬間干燥。
8、可用于有毒、有害氣體的收集凈化,循環利用的空氣處理設備;用于大氣環境的氣體檢測設備。
9、特別適用于超聲波清洗機、電子行業PCB板清洗干燥機、隧道式汽車清洗機(洗車機)、商用洗碗機、玻璃清洗機等清洗設備。
10、高壓旋渦風機可用于水面曝氣、增氧,增氧格及增氧系統的魚業養殖。
11、使用在輪胎及橡膠設備中可以去除水份/油份、干燥、靜電抑制。









一.風機安裝使用注意事項
1、風機安裝時,應先檢查各零件連接是否牢固,轉動是否靈活等,并要檢查機殼內有無雜物。
2、風機與基礎結合面、進出口風管連接時,應調整自然吻合,不得強行連接,絕不允許風管的重量集中在
機殼上,以免機殼變形影響正常運轉。風機進出口風管應用軟管連接,并注意風機的水平位置。
3、安裝后試撥葉輪轉動,檢查是否靈活,發現不妥之處應及時調整。
4、安裝完畢,各部位正常后才能進行試運轉。試運轉過程中要嚴格控制電流,不能超過額定值。為防止電
機因過
載而燒毀,在風機啟動和試運轉時,必須在無荷載的情況下進行。如情況良好,逐步將閥門開啟到規定工況
為止。
二.風機維護工作制度
1、風機必須專人使用,專人維修。
2、風機不許帶病運行。
3、定期清除風機內部的灰塵,特別是葉輪上的灰塵、污垢等雜質,以防止銹蝕和失衡。
4、風機維修必須強調首先斷電停車。
5、除每次拆修后應更換潤滑油外,正常情況下3-6月更換一次潤滑油。








產品咨詢