





ARTICLES致力于成為更好的解決方案供應商!
2025-09-22
+2025-09-18
+2025-09-11
+
詳細介紹
| 品牌 | 梁瑾 |
|---|
8.5KW高壓漩渦風機-環保高壓風機
直銷訂購136 6169 5091(同步)8.5KW高壓漩渦風機-環保高壓風機--上海梁瑾機電設備有限公司出品,高壓鼓風機自進入市場以來,受到了廣大客戶的支持和厚愛,風機具有環保,高效,節能、高壓,大風量,低噪音,體積小,輕量化.風機采用鋁合金材質,大幅降低重量,達到輕量化的目的.
上海梁瑾機電設備有限公司是一家專業從事風機設計,生產制造的廠家,從事風機設計,生產,銷售已有多年,擁用雄厚的技術力量,豐富的生產經營經驗以及完善的專業風機加工平衡設備和大批工具,確保了風機的性能,質量達到國家標準要求.
本公司漩渦式氣泵(高壓風機)是一種以德國技術生產的吹,吸氣兩用氣泵,采用原裝日本進囗NSK軸承及德國耐高溫SKF軸承,全部鋁合金壓鑄成型,馬達線圈純銅線,重量輕,外型美觀,無油無水,性能穩定,應用廣泛,均勻的散熱片設計有良好散熱性能,壽命長,噪音低,振動好,壓力高,吸力強,流量大。
我公司長期提供高壓風機-漩渦式氣泵功率:0.2KW 0.4KW 0.75KW 1.1KW 1.75KW 2.2KW 3.7KW 4KW 5.5KW 7.5KW 9KW 13KW 20KW 25KW
風壓:50mbar~650mbar 風量:40立方/小時~1134立方/小時(為方便選用不同規格,單段式/雙段式均有貨提供)
頻率:50Hz/60Hz
電壓:110V~615V(萬國電壓,各國均可使用.如需特殊電壓,可按要求定做)
釋壓閥 RV-01 RV-02(配套使用)
過濾器 MF8 MF10 MF12 MF16 MF-20 MF-32
2QB 系列高壓漩渦式氣泵(高壓鼓風機)性能參數
形式 | 功率(KW) | 98%大流量(m3/h) | 98%高壓力(kpa) | 98%高真空(kpa) |
2QB 010-SAA11 | 0.2KW | 55m3/h | 8kpa | -7kpa |
2QB 210-SAH16 | 0.4KW | 80m3/h | 13kpa | -12kpa |
2QB 310-SAH16 | 0.75KW | 100m3/h | 15kpa | -15kpa |
2QB 320-SHH36 | 1.3KW | 110m3/h | 29kpa | -28kpa |
2QB 510-SAH26 | 1.5KW | 210m3/h | 19kpa | -20kpa |
2QB 520-SHH46 | 3KW | 230m3/h | 43kpa | -35kpa |
2QB 610-SAH16 | 2.2KW | 270m3/h | 26kpa | -24kpa |
2QB 710-SAH26 | 3.0KW | 330m3/h | 29kpa | -27kpa |
2QB 710-SAH37 | 4.0KW | 330m3/h | 36kpa | -30kpa |
2QB 720-SHH37 | 4KW | 330m3/h | 39kpa | -37kpa |
2QB 720-SHH47 | 5.5KW | 330m3/h | 52kpa | -46kpa |
2QB 720-SHH57 | 7.5KW | 330m3/h | 58kpa | -46kpa |
2QB 810-SAH17 | 5.5KW | 540m3/h | 31kpa | -31kpa |
2QB 810-SAH27 | 7.5KW | 540m3/h | 43kpa | -33kpa |
2QB 830-SAH17 | 5.5KW | 700m3/h | 19kpa | -20kpa |
2QB 830-SAH27 | 7.5KW | 700m3/h | 27kpa | -28kpa |
2QB 820-SHH37 | 11KW | 540m3/h | 60kpa | -43kpa |
2QB 820-SHH47 | 15KW | 540m3/h | 67kpa | -46kpa |
2QB 840-SGH37 | 11KW | 900m3/h | 38kpa | -29kpa |
2QB 910-SAH17 | 12.5KW | 1050m3/h | 28kpa | -29kpa |
2QB 910-SAH37 | 18.5KW | 1050m3/h | 46kpa | -36kpa |
2QB 930-SAH17 | 12.5KW | 1370m3/h | 19kpa | -21kpa |
2QB 930-SAH37 | 18.5KW | 1370m3/h | 32kpa | -31kpa |
2QB 920-SHH17 | 12.5KW | 1110m3/h | 28kpa | -30kpa |
2QB 920-SHH27 | 16.5KW | 1110m3/h | 38kpa | -41kpa |
2QB 920-SHH37 | 20KW | 1110m3/h | 51kpa | -44kpa |
2QB 920-SHH47 | 25KW | 1110m3/h | 60kpa | -44kpa |
2QB 940-SBH27 | 15KW | 1980m3/h | 11kpa | -13kpa |
2QB 940-SBH37 | 20KW | 1980m3/h | 20kpa | -22kpa |
2QB 940-SBH47 | 25KW | 1980m3/h | 28kpa | -31kpa |
2QB 943-SGH47 | 25KW | 2100m3/h | 28kpa | -31kpa |
主營高壓風機、漩渦氣泵、氣環真空泵的設計、透浦式鼓風機、多段式鼓風機,同時可根據客戶要求開發特殊規格的旋渦氣泵(防腐處理,防爆處理,變頻處理性能特性定制等中國臺灣的環保傳動產品:FUJI富士鼓風機、達綱漩渦氣泵、宏豐送風機、CPG晟邦齒輪減機、中國臺灣東元電機、中國臺灣FUKUTA富田馬達、中國臺灣東煒庭TWT直流馬達、調速器與減速機。
廠房占地面積102000平方米
*
質保一年 終身維修
貨源充足
江浙滬晥包郵
誠招代理
















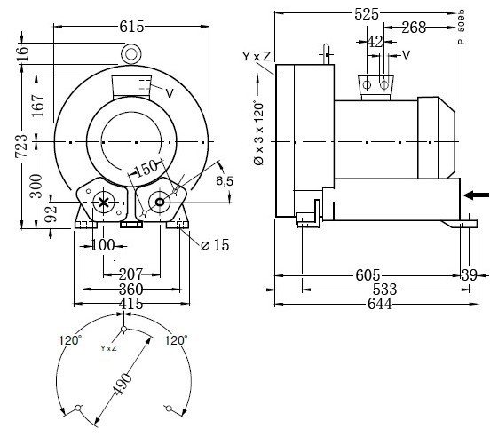
安裝尺寸:











產品咨詢