





PRODUCT我們相信好的產品是信譽的保證!
ARTICLES致力于成為更好的解決方案供應商!
2021-10-22
+2021-07-05
+2013-09-26
+
詳細介紹
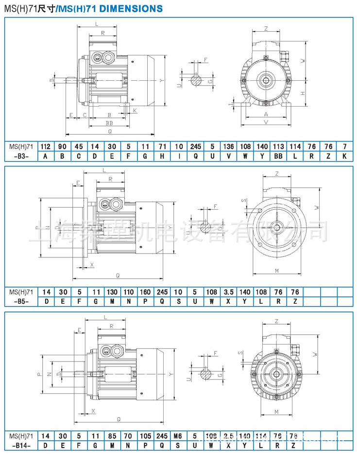
| 品牌 | 紫光 |
|---|
工廠批發直銷ZIK紫光電機-清華紫光電動機現貨價格
直銷批發訂購 136 6169 5091(同步)工廠批發直銷ZIK紫光電機-清華紫光電動機現貨價格--上海梁瑾機電設備有限公司紫光系列產品上海總代理,zik中研紫光品牌電機、減速機是國內品質顯著的品牌(紫光‘ZIK’),符合IEC尺寸標準及IM安裝結構方式,具備優良的互換性。電機安裝方式分為臥式B3,立式B5、B14,立臥兩用B34、B35等,顏色有銀色和藍色兩款,所以訂購時請說明。節能環保產品,來自中研技術有限公司,歡迎廣大新老客戶訂購。
清華紫光電機,中研紫光電機,紫光減速機,紫光剎車馬達,紫光渦輪減速機,紫光無級變速機,電機產品功率等級覆蓋范圍廣,有9種機座規格;接線座與機體整體鋁合金壓鑄結構,密封性好,*符合IP54、IP55的外殼防護等級標準;增強散熱筋設計,使機組具備更強的冷卻能力;精確的動平衡校正及的低噪聲軸承,使電機動行更加平穩,密封更可靠安全;符合IEC尺寸標準及IM安裝結構方式,具備優良的互換性。
材料選用鋁合金外殼,調質處理的40C鋼軸,電磁線采用聚酯QZ-2;聚酰亞胺QY-2;硅鋼片:DR490-510;軸承:C&U;NSK;NTN;SKF
涂漆:—鋁合金表面拋丸后進行防腐處理,鋁合金本色
—蘭色丙烯烤漆
結構特點:
--從0.025KW-7.5KW的功率等級范圍,9種機座規格.
--接線座與機體整體鋁合金壓鑄結構,密封性好,*符合IP54、IP55外殼防護等級標準.
--增強散熱筋設計,使機組具備更強的冷卻能力.在惡劣的環境下維持電機良好的運行性能.
--精確的動平衡校正及的低噪聲軸承,使電機運行更加平衡、.
--提供B級、F級絕緣等級制造.
--預設置的出軸密封裝置,與變速機、減速機配套連接時,密封性能可靠安全.
--符合IEC尺寸標準及IM安全結構方式,具備優良的互換性.
紫光高效能電機統一標準:
所有通用電機執行統一的制作標準:
--電機功率等級及尺寸:GB4826-84;GB4772.2-84;IEC72
--電氣規范:GB755-87;IEC34-1
--結構及安裝型式:GB997-81;IEC34-7
--外殼防護等級:GB4942.1-85;IEC34-5
--冷卻方式:GB/T1993-93;IEC34-6
外殼防護等級:
電機的外殼防護等級表示電機在以下兩個方面的防護能力:
(1)防止人體接觸電機內部帶電或轉動部分和防止固體異物進入電機內部的能力
(2)防止水進入電機內部的能力
本公司制造的電機采用接線盒與機體一體壓鑄,并在外殼所有出軸及接合處均設有密封裝置可以達到比IP54高一個等級的IP55的防護等級,性能更加穩定耐用。













紫光電機型號:
zik中研紫光MS鋁合金電機:YS5614 YS5624 YS5634 MS6314 MS6324 MS6334 MS7114 MS7124 MS7134 MS8014 MS8024 MS8034 MS90S4 MS90L4 MS100L1-4 MS100L2-4 MS112M-4 MS132S-4 MS-132M-4.
紫光BMA三相交流剎車馬達:BMA7114 BMA7124 BMA7134 BMA8014 BMA8024 BMA8034 BMA90S-4 BMA90L-4 BMALX-4 BMA100L1-4 BMA100L2-4.
紫光BMD直流剎車馬達:BMD6314 BMD6324 BMD7114 BMD7124 BMD7134 BMD8014 BMD8024 BMD8034 BMD90S-4 BMD90L-4 BMD100L1-4 BMD100L2-4 BMD112M-4 BMD132S-4 BMD132M-4.
紫光電機的特點:
BMA剎車馬達特點:
適用于保持負載
由于是無勵磁動作型電磁制動器,因此在電源切斷時,制動力仍然起作用,從而能可靠地保持負載。
出色的安全制動器。
作為用于停電時的緊急制動、長時間的停止保持、防止機械滑移等安全制動器,可發揮出色的性能。
可在短時間內制動。
僅是電動機時,越程為2 - 4 圈。
可以頻繁地進行瞬間順逆轉。
只需簡單的切換即可在1分鐘內停止6次。(請確保停止時間在3秒以上。)
若需要在1分鐘內停止7 至 100次,則請使用離合制動電動機。(但僅先單向運轉)
電動機、制動器部可使用同一個電源。
由于電磁制動器內置有整流電流,因此可與電動機使用同一個交流電源。
【包裝方式】:
紙箱、木箱。
【發貨方式】:
所有產品、物品的發貨方式(物流公司,客運,快遞),電機產品到后,運輸公司會通知貨主自提取,(根據距離的遠近).運輸時間近程一至三天/遠程一周到貨,偏遠的地方.物流不能到達的話,請與公司協商。
【溫馨提示】:
本公司所售出的產品都是經過我們專業測試,產品質量保證,*符合國家標準,滿足客戶的需求.所售出的產品在十二個月之內.如出現質量問題(非人為損壞)免費維修.非質量問題我們將提供有償服務,讓您買的放心.用的舒心.無后顧之憂。
了解關于紫光電機其他相關的產品性能參數,請直銷工作人員或致電上方的直線,獲取電子樣本參考,謝謝!
產品咨詢